For the final for my Metals II class I designed a shape to play with sound dynamics in aluminum as well as the illusion of an object made from multiple pieces when it is from one solid piece.





Finished product.

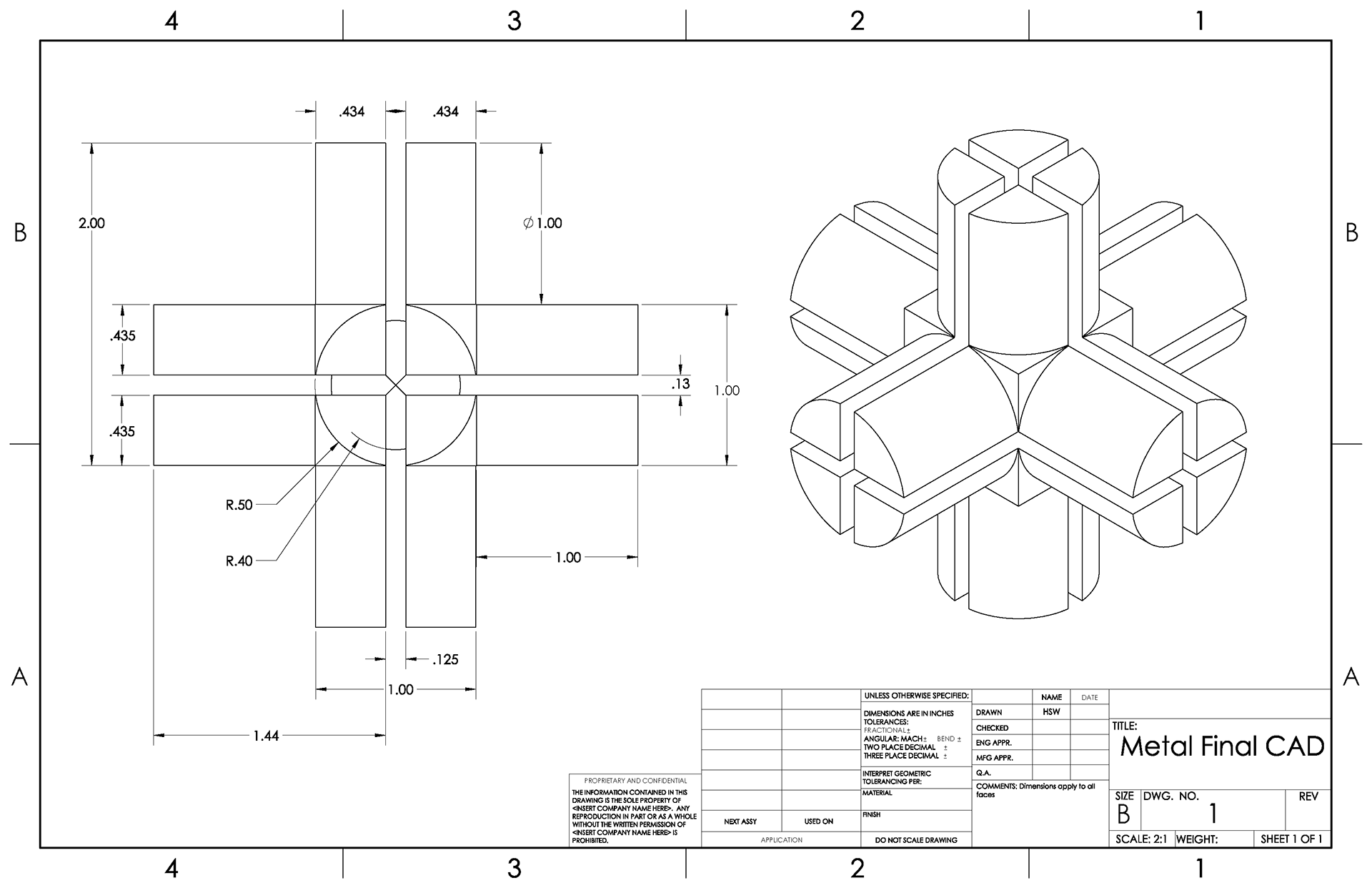
The original design for my metal final.

Revised design, Due to the bisecting cuts depth and the lack of support for clamping when the inner material is removed I was advised to change my plan and simplify the part or risk breaking my piece or the bits for the bridgeport mill.

My cutting plan